Note de ce sujet :
  • Moyenne : 0 (0 vote(s))
  • 1
  • 2
  • 3
  • 4
  • 5
Merten MEG6710-0004 - aide au branchement
#1
Wink 
Salut à tous,

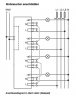
Je suis en train de faire mes connexions de dimmer Merten MEG6710-0004 mais je suis un peu perdu pour la connexion. 

L'un d'entre vous à déjà utiliser ce dimmer? Il y a 4 canaux dimmables et je veux regrouper par 2 les canaux (soit 2 disjoncteurs 10A pour les 4 canaux).

Mais avec le schéma de base ci-joint je suis un peu perdu.

   

Si j'ai compris le fonctionne est-ce que je peux faire un branchement comme dans le deuxième exemple?

   

Merci
Répondre
#2
[Image: mini_781892Schema2lamaps2disj.jpg]
Répondre
#3
Salut Ives,

Merci beaucoup. J'avais presque bon ;-)
Répondre


Atteindre :


Utilisateur(s) parcourant ce sujet : 1 visiteur(s)